CLHW

产品资讯

此系列产品动作端内置有动作确认机构,最适用于实现设备的自动化。
通过连接空气传感器,检出压差,实现确认动作。
通过夹紧动作确认,能实现安全可靠地工件搬入搬出。
内置传感阀,可实现超薄型的夹具设计。简单的油路孔设计。

最大操作压力:70 kgf/cm²
最小操作压力:15 kgf/cm²
注意事项:
夹紧及放松作动速度需适当放缓。
为进行确认动作,需设置空气传感器。
气口需进行大气开放,务必防止冷却液,切削渣的侵入。
使用时请保持向气口常态供气状态。

备註:
推荐使用气缸0.1-0.2MPa,空气感测器为SMC的ISA2-HE45N。

订购标示法

CLHW 系列 CLHW
048 主体尺寸 040: ØD=40mm, 048: ØD=48mm, 055: ØD=55mm, 065: ØD=65mm, 075: ØD=75mm(ΦD表示本體油缸外徑尺寸)
C - 板式连接型(附带G螺纹堵头)(可安装速度控製阀(CZL),用户另行购买)
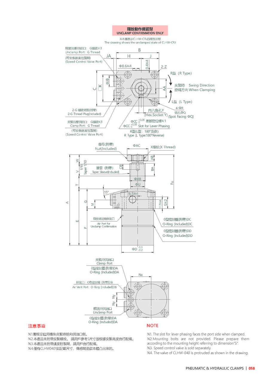
R 夹紧时旋转方向 L: 逆时针 , R: 顺时针
E 传感阀符号 E: 夹紧释放动作确认型, H: 夹紧动作确认型, J: 释放动作确认型

产品资料

型号 CLHW-040 CLHW-048 CLHW-055 CLHW-065 CLHW-075
理论夹持力(70kgf/cm²) 350 486.5 721 938 1421
转角行程(mm) 6.5 7.5 8.5 10 12
夹紧行程(mm) 8 8 10 10 12
总行程(mm) 14.5 15.5 18.5 20 24
推出容积(cm³) 10.9 16.7 28.1 40.9 72.5
拉入容积(cm³) 7.3 10.8 19 26.7 48.7
推出受压面积(cm²) 7.54 10.75 15.2 20.42 30.18
拉入受压面积(cm²) 5 6.95 10.3 13.4 20.3
使用温度范围(°C) 0~+70°C 0~+70°C 0~+70°C 0~+70°C 0~+70°C

档案下载